
钢丝绳普通套环
Commercial type wire rope thimble
产品特点
- 钢丝绳普通要换又称鸡心环,三角圈,用于保护钢丝绳不受伤害,提高钢丝绳索具的使用寿命。
技术参数

|
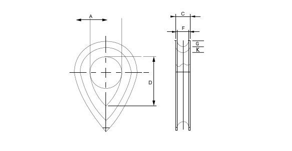
尺寸 Size |
主要技术参数 main technical parameters |
|||
|
F(mm) |
D(mm) |
A(mm) |
C(mm) |
|
|
2.5×3 |
3 |
19 |
12 |
4.5 |
|
3.5×4 |
4 |
21 |
13 |
5.5 |
|
4×5 |
5 |
23 |
14 |
6.5 |
|
5×6 |
6 |
25 |
16 |
7.5 |
|
6×7 |
7 |
28 |
18 |
8.5 |
|
7×8 |
8 |
32 |
20 |
10.0 |
|
9×10 |
10 |
38 |
24 |
12.5 |
|
11×12 |
12 |
45 |
28 |
15.0 |
|
13×13 |
13 |
48 |
30 |
16.0 |
|
13×14 |
14 |
51 |
32 |
17.5 |
|
15×16 |
16 |
58 |
36 |
20.0 |
|
16×17 |
17 |
61 |
38 |
21.0 |
|
17×18 |
18 |
64 |
40 |
22.0 |
|
18×20 |
20 |
72 |
45 |
27.0 |
|
20×22 |
22 |
80 |
50 |
30.0 |
|
22×24 |
24 |
90 |
56 |
33.0 |
|
24×26 |
26 |
99 |
62 |
35.0 |
|
26×28 |
28 |
112 |
70 |
37.0 |
|
28×30 |
30 |
120 |
75 |
39.0 |
|
30×32 |
32 |
128 |
80 |
41.0 |
|
32×34 |
34 |
152 |
95 |
43.0 |
|
34×36 |
36 |
160 |
100 |
45.0 |
|
36×38 |
38 |
176 |
110 |
48.0 |
|
38×40 |
40 |
184 |
115 |
50.0 |
|
40×42 |
42 |
192 |
120 |
57.0 |
|
42×45 |
45 |
240 |
150 |
57.0 |


关注微信公众账号