
D型卸扣G2150(带螺母)
D-clutch(with nut)G2150
产品特点
- 扣扣体采用优质碳素结构或合金结构锻造并进行热处理而成,体积小而强度高。
- 每个卸扣上都永久性印有额定载荷标记。
- 最大试验载荷为额定工作载荷的2倍,最小破断载荷为额定工作载荷的4倍。
- 卸扣可用于索具末端配件,在吊装作业中直接与被吊物连接。也可用于索具与末端配件之间,只起连接作用。
- 当索具与横梁配合使用时,卸扣可用于索具顶端代替吊环与横梁下的耳板连接,便于安装和拆卸。
注意事项
- 卸扣的额定工作载荷和使用范围为卸扣的试验检测和使用依据,严禁超载使用。
- 起吊过程中,严禁吊运的物品受到碰撞和冲击。
- 吊运过程应尽量平稳,下面严禁站人或在物品上通过。
- 任何一只卸扣在使用前必须先试吊在起吊。选择吊点应与吊重重心在同一条铅垂线上。
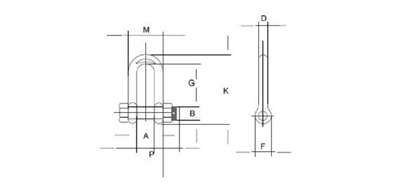
技术参数

|
规 格 tSpecifications |
额定载荷t Rated load |
A mm |
B mm |
D mm |
F mm |
G mm |
K mm |
M mm |
P mm |
|
1/2 |
2 |
20.6 |
16.0 |
12.7 |
30.2 |
41.4 |
77.0 |
46.0 |
71.1 |
|
5/8 |
3.25 |
26.9 |
19.1 |
16.0 |
38.1 |
50.8 |
95.3 |
58.7 |
89.7 |
|
3/4 |
4.75 |
31.8 |
22.4 |
19. 1 |
45.0 |
60.5 |
115.1 |
70.0 |
103.4 |
|
7/8 |
6.50 |
36.6 |
25.4 |
22.4 |
53.1 |
71.4 |
135.4 |
81.0 |
119.6 |
|
1 |
8.50 |
42.9 |
28.7 |
25.4 |
60.5 |
81.0 |
150.9 |
93.7 |
134.9 |
|
11/8 |
9.50 |
46.0 |
31.8 |
28.7 |
68.6 |
90.9 |
172.2 |
103.1 |
149.9 |
|
11/4 |
12.0 |
51.6 |
35.1 |
31.8 |
76.2 |
100.0 |
190.5 |
115.1 |
165.4 |
|
13/8 |
13.5 |
57.2 |
38.1 |
35.1 |
84.1 |
111.3 |
210.3 |
127.0 |
183.1 |
|
11/2 |
17.0 |
60.5 |
41.4 |
38.1 |
92.2 |
122.2 |
230.1 |
136.7 |
196.3 |
|
13/4 |
25.0 |
73.2 |
50.8 |
44.5 |
106.4 |
146.1 |
278.6 |
162.1 |
229.8 |
|
2 |
35.0 |
82.6 |
57.2 |
50.8 |
122.2 |
171.5 |
311.9 |
184.2 |
264.4 |
|
21/2 |
55.0 |
104.9 |
70.0 |
66.5 |
144.5 |
203.2 |
377.0 |
238.3 |
344.4 |
|
3 |
85.0 |
127.0 |
82.6 |
76.2 |
165.1 |
215.9 |
428.8 |
279.4 |
419.1 |
|
31/2 |
120.0 |
133.4 |
95.3 |
91.9 |
203.2 |
482.6 |
|||
|
4 |
150.0 |
139.7 |
108.0 |
104.1 |
228.6 |
501.7 |


关注微信公众账号