
D型卸扣(G210)
D clutch 210
产品特点
- 卸扣扣体采用优质碳素结构或合金结构锻造并进行热处理而成,体积小而强度高。
- 每个卸扣上都永久性印有额定载荷标记。
- 最大试验载荷为额定工作载荷的2倍,最小破断载荷为额定工作载荷的4倍。
- 卸扣可用于索具末端配件,在吊装作业中直接与被吊物连接。也可用于索具与末端配件之间,只起连接作用。
- 当索具与横梁配合使用时,卸扣可用于索具顶端代替吊环与横梁下的耳板连接,便于安装和拆卸。
注意事项
- 卸扣的额定工作载荷和使用范围为卸扣的试验检测和使用依据,严禁超载使用。
- 起吊过程中,严禁吊运的物品受到碰撞和冲击。
- 吊运过程应尽量平稳,下面严禁站人或在物品上通过。
- 任何一只卸扣在使用前必须先试吊在起吊。选择吊点应与吊重重心在同一条铅垂线上。
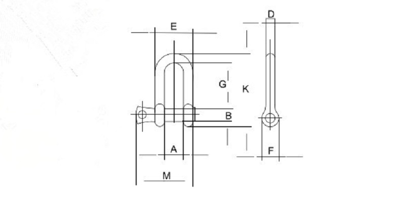
技术参数

|
规 格 Specifications |
额定载荷 Rated load T |
A mm |
B mm |
D mm |
E mm |
F mm |
G mm |
K mm |
M mm |
|
1/4 |
0.50 |
12.0 |
7.9 |
6.4 |
23.9 |
15.5 |
22.4 |
40.4 |
35.1 |
|
5/16 |
0.75 |
13.5 |
9.7 |
7.9 |
29.5 |
19.1 |
26.2 |
48.5 |
42.2 |
|
3/8 |
1.00 |
16.8 |
11.2 |
9.7 |
35.8 |
23.1 |
31.8 |
58.4 |
51.6 |
|
7/16 |
1.50 |
19.1 |
12.7 |
11.2 |
41.4 |
26.9 |
36.6 |
67.6 |
60.5 |
|
1/2 |
2.00 |
20.6 |
16.0 |
12.7 |
45.0 |
30.2 |
41.4 |
77.0 |
68.3 |
|
5/8 |
3.25 |
27.0 |
19.0 |
16.0 |
58.7 |
38.1 |
50.8 |
95.3 |
84.8 |
|
3/4 |
4.75 |
31.8 |
22.4 |
19.1 |
69.9 |
46.0 |
60.5 |
115.1 |
100.8 |
|
7/8 |
6.50 |
36.6 |
25.4 |
22.4 |
81.0 |
53.1 |
71.4 |
135.4 |
114.3 |
|
1 |
8.50 |
43.0 |
28.7 |
25.4 |
93.7 |
60.5 |
81.0 |
150.9 |
128.8 |
|
11/8 |
9.50 |
46.0 |
31.8 |
28.7 |
103.1 |
68.3 |
90.9 |
172.2 |
142.0 |
|
11/4 |
12.0 |
51.6 |
35.1 |
31.8 |
115.1 |
76.2 |
100.1 |
190.5 |
156.5 |
|
13/8 |
13.5 |
57.2 |
38.1 |
35.1 |
127.0 |
94.1 |
111.3 |
210.3 |
173.7 |
|
11/2 |
17.0 |
60.5 |
41.4 |
38.1 |
136.6 |
91.9 |
122.2 |
230.1 |
186.7 |
|
13/4 |
25.0 |
73.2 |
50.8 |
44.5 |
162.1 |
106.4 |
146.1 |
278.6 |
230.6 |
|
2 |
35.0 |
82.6 |
57.2 |
50.8 |
184.0 |
122.2 |
171.5 |
311.9 |
262.6 |
|
21/2 |
55.0 |
105.0 |
69.9 |
66.5 |
238.3 |
144.5 |
203.2 |
376.9 |
330.2 |


关注微信公众账号